新闻中心
News Center
2025版中国药典4040 预灌封注射器鲁尔圆锥接头检查法
浏览次数:860
发布时间:2025-12-19
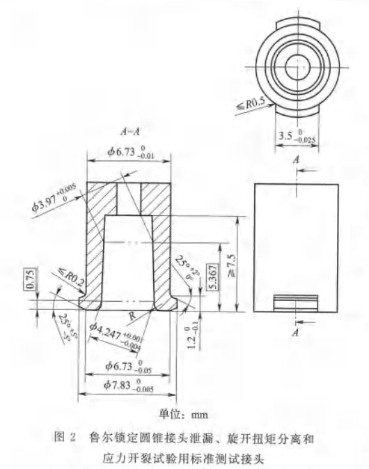
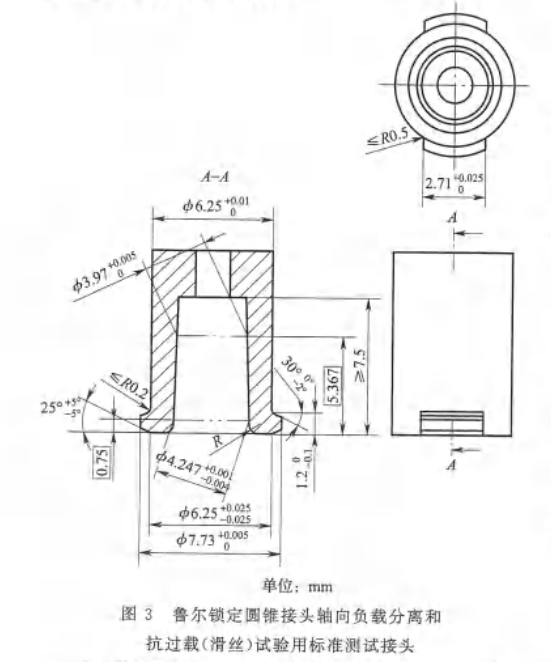
本法用于检查预灌封注射器上鲁尔圆锥接头的配合性标准测试接头
标准测试接头是在检查过程中与预灌封注射器鲁尔圆锥接头配合的标准接头。
测试玻璃预灌封注射器套简的标准测试接头应用半刚性材料制造,测试塑料预灌封注射器套简的标准测试接头应用耐腐蚀刚性材料制造,关键表面的表面粗糙度Ra值不超过0.8μm。半刚性材料是指弯曲弹性模量或拉伸弹性模量在700-3433MPa之间的材料,刚性材料指弯曲弹性模量或拉伸弹性模量大于3433MPa的材料。
测试鲁尔非锁定圆锥接头的泄漏、轴向负裁分离、应力开裂性能、鲁尔锁定圆锥接头的泄漏、旋开扭矩分离、应力开裂性能、测试鲁尔锁定圆锥接头的轴向负载分离和抗过载(滑丝)性能推荐使用Paratronix普创科技LCCT-01A 鲁尔接头综合性能测试仪,以下小编详细介绍测试方法:

1、正压液体泄漏试验
检查法
将预灌封注射器吸人约四分之一标示装量的水,排气后干燥接头外表面。
对鲁尔非锁定圆锥接头:通过施加26.5~27.5N的轴向力持续5~6秒,同时施加0.08~0.10N·m的扭矩旋转供试圆锥接头使之组装,或旋转角度不超过90”
对鲁尔锁定圆锥接头:通过施加26.5~27.5N的轴向力持续5~6秒,同时施加0.08~0.12N·m的扭矩旋转供试圆锥接头使之组装。
使组装后的连接件轴线处于水平位置,通过推杆固定活塞的位置,避免因加压而使活塞移动
通过标准测试接头的小孔对组装件施加300~330kPa的水压,并保持30~35秒的时间。目视检查连接
结果判定
如无水滴下,则判为合格。

2.应力开裂试验
检查法
干燥供试接头和标准测试接头。
对鲁尔非锁定圆锥接头:通过施加26.5~27.5N的轴向力持续5~6秒,同时施加0.08~0.10N·m的扭矩旋转供试圆锥接头使之组装,或旋转角度不超过 90°
对鲁尔锁定圆锥接头:通过施加26.5-27.5N的轴向力持续5~6秒,同时施加0.08~0.12N·m的扭矩旋转供试圆锥接头使之组装。
将供试圆锥接头与标准测试接头组装后放置至少48小时,目视检查,并进行正压液体泄漏试验,
结果判定
供试接头无可见开裂,且正压液体泄满试验合格,则判为合格。

3.抗轴向负载分离试验
检查法
干燥供试接头和标准测试接头
对鲁尔非锁定圆锥接头:通过施加26.6~27.5N的轴向力持续5~6秒,同时施加0.08~0.10N·m的扭矩旋转供试圆锥接头使之组装,或旋转角度不超过 90
对鲁尔锁定圆锥接头:通过施加26.5~27.5N的轴问力持续5~6秒,同时施加0.08~0.12N·m的扭矩旋转供试圆锥接头使之组装
在试验夹具的分商方向上以约10N/s的速率,对鲁尔非锁定圆锥接头施加23~25N的轴向力,对鲁尔锁定圆锥接头施加32-35N,保持10一15秒。不要在其他方向施加任何力。
检查供试圆锥接头与标准测试接头的接口处是否完全分高
结果判定
供试圆锥接头与标准测试接头的接口处未完全分离,则判为合格
4.抗旋开扭矩分离试验(仅适用于鲁尔锁定圆锥接头)
干燥供试接头和标准测试接头。
通过施加26.5-27.5N的轴向力持续5~6秒,同时施加008-0.12N·m的扭矩旋转供试圆锥接头使之组装
对组装件施加0.018~0.020N·的旋开扭矩并保持10~15秒的时间。
检查供试圆锥接头与标准测试接头的接口处是否完全分离,
结果判定
供试圆锥接头与标准测试接头的接口处未完全分离,则判为合格。

5.抗过载(滑丝)试验(仅适用于鲁尔锁定圆锥接头)
检查法
干燥供试接头和标准测试接头。
通过施加26.5-27.5N的轴向力持续56秒,同时施加0.08-0.12N·m的扭矩旋转供试圆锥接头使之组装。向供试组装件沿旋紧方向施加0.15~0.17Nm的矩,保持5-10秒的时间。不要在其他方向施加任何力或扭矩,
检查供试接头是否能够承受上述扭矩和保持时间不滑丝
结果判定
供试接头能够承受上述扭矩和保持时间不滑丝,则判为合格。
